型式を選択
ご選択の取付には以下の型式がございます。
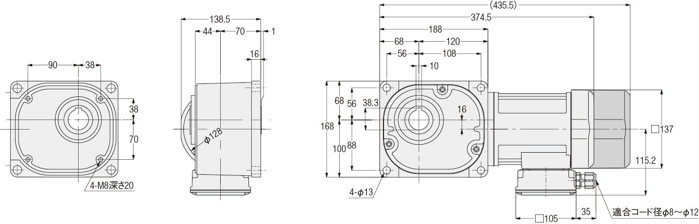
<図1>

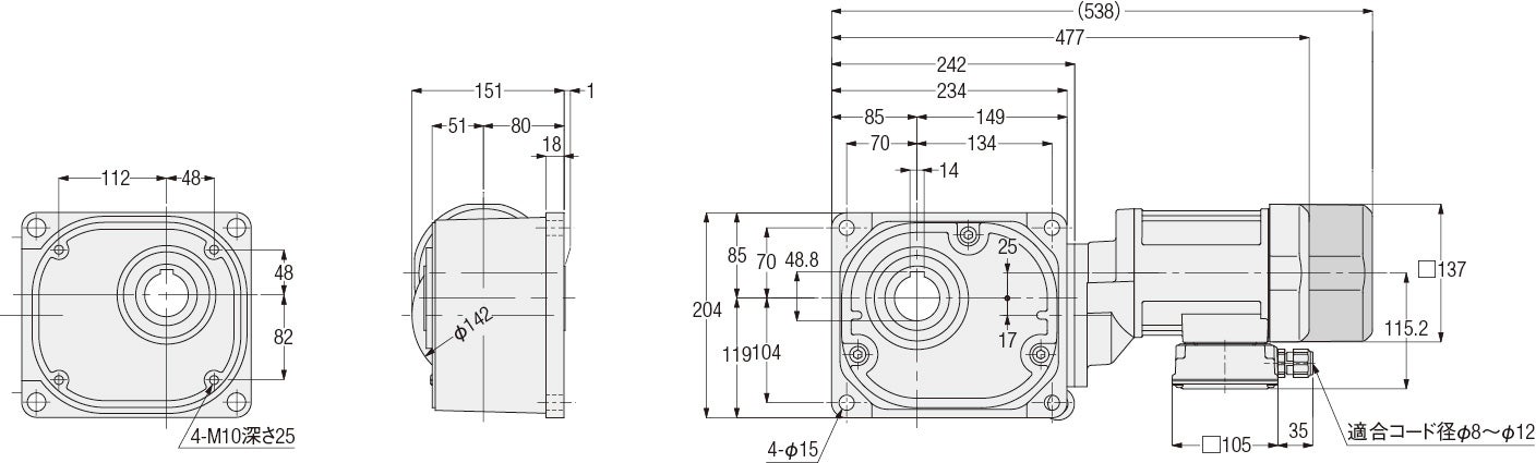
<図2>

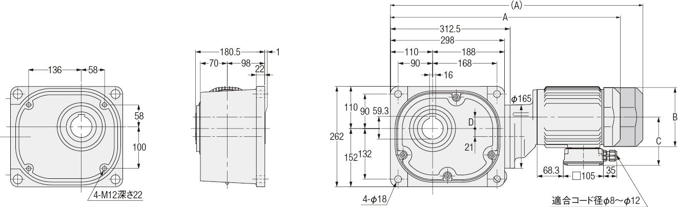
<図3>

| 相数 | 容量 | 型式 出力軸:ステンレス鋼 | 型式 出力軸:炭素鋼 | 減速比 | 図番 | ブレーキ | 概略質量(kg) | A | B | C | D |
|---|---|---|---|---|---|---|---|---|---|---|---|
| 三相 | 0.4kW | FS35S***-WM04T◇◇EN | FS35N***-WM04T◇◇EN | 5,7.5,10,12.5,15, 20,25,30,40,50,60, 80,100,120,160, 200,240 | 1 | なし | 14 | ー | ー | ー | ー |
| FS35S***-WM04T◇◇EV◆ | FS35N***-WM04T◇◇EV◆ | 付き | 16 | ||||||||
| FS45S***-WM04T◇◇EN | FS45N***-WM04T◇◇EN | 300,375,450 | 2 | なし | 22.5 | ー | ー | ー | ー | ||
| FS45S***-WM04T◇◇EV◆ | FS45N***-WM04T◇◇EV◆ | 付き | 24 | ||||||||
| FS55S***-WM04T◇◇EN | FS55N***-WM04T◇◇EN | 600,750,900, 1200,1500 | 3 | なし | 60.5 | 547.5 | □137 | 115.2 | 21 | ||
| FS55S***-WM04T◇◇EV◆ | FS55N***-WM04T◇◇EV◆ | 付き | 62 | 608.5 |
※型式の***には減速比が入ります。また、◇◇には電源電圧・規格記号、◆にはブレーキ仕様が入ります。
