型式を選択
ご選択の取付には以下の型式がございます。
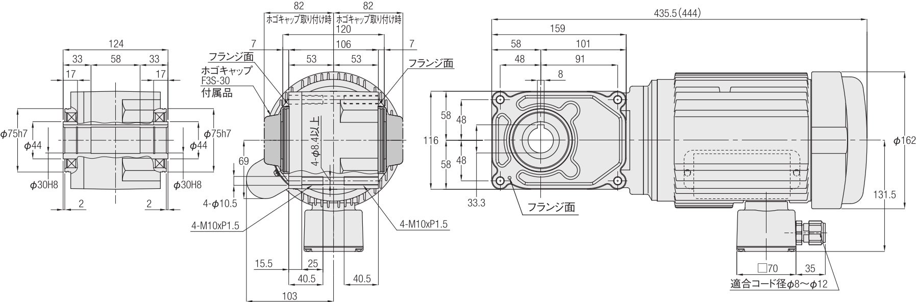
<図1>

<図2>

| 相数 | 容量 | 型式 | 減速比 | 図番 | ブレーキ | 概略質量(kg) |
|---|---|---|---|---|---|---|
| 単相 | 0.4kW | F3S30N***-MM04C◇JAN | 5,7.5,10,12.5,15,20,25,30,40,50,60 | 1 | なし | 17.5 |
| F3S30N***-MM04C◇JAB2 | 付き | 20 | ||||
| F3S35N***-MM04C◇JAN | 80,100,120,160,200,240 | 2 | なし | 21 | ||
| F3S35N***-MM04C◇JAB2 | 付き | 23.5 |
※型式の***には減速比が入ります。また、◇には電源電圧記号が入ります。
